Hex Head and Heavy Hex Head in Full and Partial Threading
Standards:-
- ASTM/ASME/BS/DIN/BS EN ISO /JIS
Material:-
- Mild Steel, Carbon Steel, Alloy Steel & Stainless Steel.
Size Range:-
- M6 to M64 in metric series
- ¼” to 2½” in imperial
- Bigger sizes can be manufactured as per order.
Threads:-
- UNC, 8UN, UNF, Metric Coarse and Metric Fine
Ordering Information:-
- Dimensions – Size Dia and Length.
- Standards and Grade
- Finish (Black, GI, Yellow, HDG, Cadmium, Nickel, PTFE etc)
- Nut and washer quantity
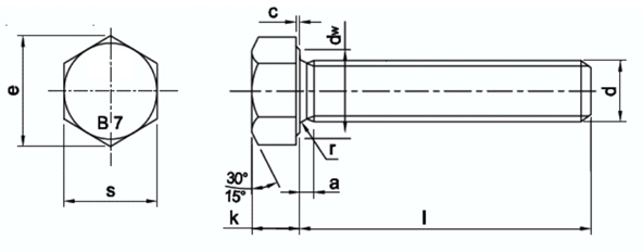
DIN 93 HEXAGON HEAD BOLT
Material ASTM A193 Grade B7

| Threads (d) | M6 | M8 | M10 | M12 | M16 | M20 | M24 | M27 | M30 | M33 | M36 | M39 | M42 | M45 | M52 | |
| Across flat (s) | Min | 9.78 | 12.73 | 16.73 | 18.67 | 23.67 | 29.67 | 35.38 | 40.00 | 45.00 | 49.00 | 53.80 | 58.80 | 63.10 | 68.10 | 78.10 |
| Max | 10.00 | 13.00 | 17.00 | 19.00 | 24.00 | 30.00 | 36.00 | 41.00 | 46.00 | 50.00 | 55.00 | 60.00 | 65.00 | 70.00 | 80.00 | |
| Across corner(e) | Min | 11.05 | 14.38 | 18.90 | 21.10 | 26.75 | 33.53 | 39.98 | 45.20 | 50.85 | 55.37 | 60.79 | 66.44 | 71.30 | 76.95 | 88.25 |
| Head Thickness(k) | Min | 3.85 | 5.15 | 6.22 | 7.32 | 9.82 | 12.28 | 14.78 | 16.65 | 18.28 | 20.58 | 22.08 | 24.58 | 25.58 | 27.58 | 32.50 |
| Max | 4.15 | 5.45 | 6.58 | 7.68 | 10.18 | 12.72 | 15.22 | 17.35 | 19.12 | 21.42 | 22.92 | 25.42 | 26.42 | 28.42 | 33.50 | |
| Unthreaded Length (a) | Min | 1.00 | 1.25 | 1.5 | 1.75 | 2.00 | 2.50 | 3.00 | 3.00 | 3.50 | 3.50 | 4.00 | 4.00 | 4.50 | 4.50 | 5.00 |
| Max | 3.00 | 4.00 | 4.50 | 5.30 | 6.00 | 7.50 | 9.00 | 9.00 | 10.50 | 10.50 | 12.00 | 12.00 | 13.50 | 13.50 | 5.00 | |
| Washer face Depth (c) | Min | 0.15 | 0.15 | 0.15 | 0.15 | 0.20 | 0.20 | 0.20 | 0.20 | 0.20 | 0.20 | 0.20 | 0.30 | 0.30 | 0.30 | 0.30 |
| Max | 0.50 | 0.60 | 0.60 | 0.60 | 0.80 | 0.80 | 0.80 | 0.80 | 0.80 | 0.80 | 0.80 | 1.00 | 1.00 | 1.00 | 1.00 | |
| Washer face Dia (dw) |
Min | 8.88 | 11.63 | 15.60 | 17.40 | 22.49 | 28.19 | 33.61 | 38.00 | 42.70 | 46.50 | 51.10 | 55.90 | 55.90 | 64.70 | 74.20 |
| Head junction Radius(r) | Min | 0.25 | 0.40 | 0.40 | 0.60 | 0.60 | 0.80 | 0.80 | 1.00 | 1.00 | 1.00 | 1.00 | 1.00 | 1.20 | 1.20 | 1.60 |
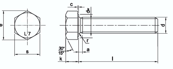
DIN 933 HEXAGON HEAD BOLT
Material ASTM A320 Grade L7

| A320 L7 HEX BOLTS | ||||||||||||||||
| Threads (d) | M6 | M8 | M10 | M12 | M16 | M20 | M24 | M27 | M30 | M33 | M36 | M39 | M42 | M45 | M52 | |
| Across flat (s) | Min | 9.78 | 12.73 | 16.73 | 18.7 | 23.67 | 29.67 | 35.38 | 40.00 | 45.00 | 49.00 | 53.80 | 58.80 | 63.10 | 68.10 | 78.10 |
| Max | 10.00 | 13.00 | 17.00 | 19.00 | 24.00 | 30.00 | 36.00 | 41.00 | 46.00 | 50.00 | 55.00 | 60.00 | 65.00 | 70.00 | 80.00 | |
| Across corner (e) | Min | 11.05 | 14.38 | 18.90 | 21.10 | 26.75 | 33.53 | 39.98 | 45.20 | 50.85 | 55.37 | 60.79 | 66.44 | 71.30 | 76.95 | 88.25 |
| Head Thickness (k) | Min | 3.85 | 5.15 | 6.22 | 7.32 | 9.82 | 12.28 | 14.78 | 16.65 | 18.28 | 20.58 | 22.08 | 24.58 | 25.58 | 27.58 | 32.50 |
| Max | 4.15 | 5.45 | 6.58 | 7.68 | 10.18 | 12.72 | 15.22 | 17.35 | 19.12 | 21.42 | 22.92 | 25.42 | 26.42 | 28.42 | 33.50 | |
| Unthreaded Length (a) | Min | 1.00 | 1.25 | 1.5 | 1.75 | 2.00 | 2.50 | 3.00 | 3.00 | 3.50 | 3.50 | 4.00 | 4.00 | 4.50 | 4.50 | 5.00 |
| Max | 3.00 | 4.00 | 4.50 | 5.30 | 6.00 | 7.50 | 9.00 | 9.00 | 10.50 | 10.50 | 12.00 | 12.00 | 13.50 | 13.50 | 5.00 | |
| Washer face Depth (c) | Min | 0.15 | 0.15 | 0.15 | 0.15 | 0.20 | 0.20 | 0.20 | 0.20 | 0.20 | 0.20 | 0.20 | 0.30 | 0.30 | 0.30 | 0.30 |
| Max | 0.50 | 0.60 | 0.60 | 0.60 | 0.80 | 0.80 | 0.80 | 0.80 | 0.80 | 0.80 | 0.80 | 1.00 | 1.00 | 1.00 | 1.00 | |
| Washer face Dia (dw) |
Min | 8.88 | 11.63 | 15.60 | 17.40 | 22.49 | 28.19 | 33.61 | 38.00 | 42.70 | 46.50 | 51.10 | 55.90 | 55.90 | 64.70 | 74.20 |
| Head Junction Radius (r) | Min | 0.25 | 0.40 | 0.40 | 0.60 | 0.60 | 0.80 | 0.80 | 1.00 | 1.00 | 1.00 | 1.00 | 1.00 | 1.20 | 1.20 | 1.60 |
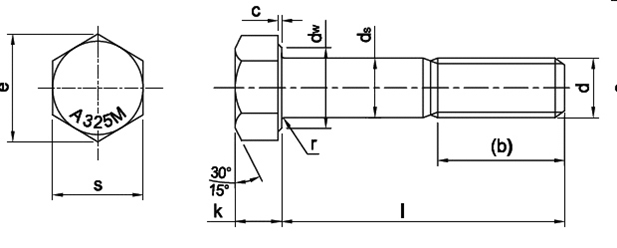
ASTM A325M HEX BOLTS

| A325M HEX BOLTS | ||||||||
| Threads (d) | M16 | M20 | M24 | M27 | M30 | M33 | M36 | |
| Across flat (s) | Min | 26.16 | 33.00 | 35.00 | 40.00 | 45.00 | 49.00 | 58.80 |
| Max | 27.00 | 34.00 | 36.00 | 41.00 | 46.00 | 50.00 | 60.00 | |
| Across corner(e) | Min | 29.56 | 37.29 | 39.55 | 45.20 | 50.85 | 55.37 | 66.44 |
| Max | 31.18 | 39.26 | 41.57 | 47.34 | 53.12 | 57.74 | 69.28 | |
| Head Thickness(k) | Min | 9.25 | 11.60 | 13.10 | 14.10 | 16.10 | 17.65 | 21.45 |
| Max | 10.75 | 13.40 | 14.90 | 15.90 | 17.90 | 19.75 | 23.55 | |
| Washer face Depth (c) | Min | 0.40 | 0.40 | 0.40 | 0.40 | 0.40 | 0.40 | 0.40 |
| Max | 0.80 | 0.80 | 0.80 | 0.80 | 0.80 | 0.80 | 0.80 | |
| Washer face Dia (dw) | Min | 24.90 | 31.40 | 33.30 | 38.00 | 42.80 | 46.50 | 55.90 |
| Shank Diameter (d s) | Min | 15.30 | 19.16 | 21.16 | 23.16 | 26.16 | 29.16 | 35.00 |
| Max | 16.70 | 20.84 | 22.84 | 24.84 | 27.84 | 30.84 | 37.00 | |
| Head junction Radius(r) | Min | 0.60 | 0.80 | 0.80 | 1.00 | 1.20 | 1.20 | 1.50 |
| Thread Length (b) | 1<100 | 31 | 36 | 38 | 41 | 44 | 49 | 56 |
| 1>100 | 38 | 43 | 45 | 48 | 51 | 56 | 63 | |
l = Overall length of the Bolt
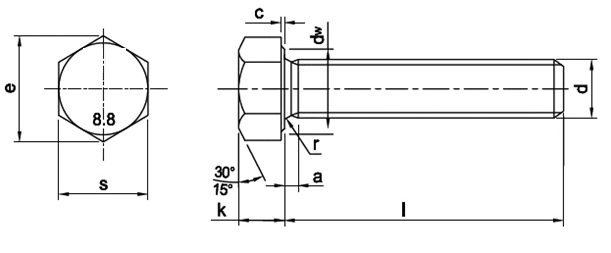
DIN 933 HEX SCREWS (FULL THREAD)
Grades 4.6, 8.8, 10.9, 12.9, A2 70, A2 80, A4 70 and A4 80

| Threads (d) | M6 | M8 | M10 | M12 | M16 | M20 | M24 | M27 | M30 | M33 | M36 | M39 | M42 | M45 | M52 | |
| Across flat (s) | Min | 9.78 | 12.73 | 16.73 | 18.7 | 23.67 | 29.67 | 35.38 | 40.00 | 45.00 | 49.00 | 53.80 | 58.80 | 63.10 | 68.10 | 78.10 |
| Max | 10.00 | 13.00 | 17.00 | 19.00 | 24.00 | 30.00 | 36.00 | 41.00 | 46.00 | 50.00 | 55.00 | 60.00 | 65.00 | 70.00 | 80.00 | |
| Across corner(e) | Min | 11.05 | 14.38 | 18.90 | 21.10 | 26.75 | 33.53 | 39.98 | 45.20 | 50.85 | 55.37 | 60.79 | 66.44 | 71.30 | 76.95 | 88.25 |
| Head Thickness(k) | Min | 3.85 | 5.15 | 6.22 | 7.32 | 9.82 | 12.28 | 14.78 | 16.65 | 18.28 | 20.58 | 22.08 | 24.58 | 25.58 | 27.58 | 32.50 |
| Max | 4.15 | 5.45 | 6.58 | 7.68 | 10.18 | 12.72 | 15.22 | 17.35 | 19.12 | 21.42 | 22.92 | 25.42 | 26.42 | 28.42 | 33.50 | |
| Unthreaded Length (a) | Min | 1.00 | 1.25 | 1.5 | 1.75 | 2.00 | 2.50 | 3.00 | 3.00 | 3.50 | 3.50 | 4.00 | 4.00 | 4.50 | 4.50 | 5.00 |
| Max | 3.00 | 4.00 | 4.50 | 5.30 | 6.00 | 7.50 | 9.00 | 9.00 | 10.50 | 10.50 | 12.00 | 12.00 | 13.50 | 13.50 | 5.00 | |
| Washer face Depth (c) | Min | 0.15 | 0.15 | 0.15 | 0.15 | 0.20 | 0.20 | 0.20 | 0.20 | 0.20 | 0.20 | 0.20 | 0.30 | 0.30 | 0.30 | 0.30 |
| Max | 0.50 | 0.60 | 0.60 | 0.60 | 0.80 | 0.80 | 0.80 | 0.80 | 0.80 | 0.80 | 0.80 | 1.00 | 1.00 | 1.00 | 1.00 | |
| Washer face Dia (dw) |
Min | 8.88 | 11.63 | 15.60 | 17.40 | 22.49 | 28.19 | 33.61 | 38.00 | 42.70 | 46.50 | 51.10 | 55.90 | 55.90 | 64.70 | 74.20 |
| Head junction Radius(r) | Min | 0.25 | 0.40 | 0.40 | 0.60 | 0.60 | 0.80 | 0.80 | 1.00 | 1.00 | 1.00 | 1.00 | 1.00 | 1.20 | 1.20 | 1.60 |
DIN 931 HEX BOLTS (HALF THREAD)
Grades - 4.6, 8.8, A2 70, A2 80, A4 70 and A4 80

| A320 L7 HEX BOLTS | ||||||||||||||||
| Threads (d) | M6 | M8 | M10 | M12 | M16 | M20 | M24 | M27 | M30 | M33 | M36 | M39 | M42 | M45 | M52 | |
|
Across flat (s) |
Min | 9.78 | 12.73 | 16.73 | 18.7 | 23.67 | 29.67 | 35.38 | 40.00 | 45.00 | 49.00 | 53.80 | 58.80 | 63.10 | 68.10 | 78.10 |
| Max | 10.00 | 13.00 | 17.00 | 19.00 | 24.00 | 30.00 | 36.00 | 41.00 | 46.00 | 50.00 | 55.00 | 60.00 | 65.00 | 70.00 | 80.00 | |
| Across corner (e) |
Min | 11.05 | 14.38 | 18.90 | 21.10 | 26.75 | 33.53 | 39.98 | 45.20 | 50.85 | 55.37 | 60.79 | 66.44 | 71.30 | 76.95 | 88.25 |
|
Head Thickness (k) |
Min | 3.85 | 5.15 | 6.22 | 7.32 | 9.82 | 12.28 | 14.78 | 16.65 | 18.28 | 20.58 | 22.08 | 24.58 | 25.58 | 27.58 | 32.50 |
| Max | 4.15 | 5.45 | 6.58 | 7.68 | 10.18 | 12.72 | 15.22 | 17.35 | 19.12 | 21.42 | 22.92 | 25.42 | 26.42 | 28.42 | 33.50 | |
| Washer face Depth (c) | Min | 0.15 | 0.15 | 0.15 | 0.15 | 0.20 | 0.20 | 0.20 | 0.20 | 0.20 | 0.20 | 0.20 | 0.30 | 0.30 | 0.30 | 0.30 |
| Max | 0.50 | 0.60 | 0.60 | 0.60 | 0.80 | 0.80 | 0.80 | 0.80 | 0.80 | 0.80 | 0.80 | 1.00 | 1.00 | 1.00 | 1.00 | |
|
Washer face Dia (dw) |
Min | 0.15 | 0.15 | 0.15 | 0.15 | 0.20 | 0.20 | 0.20 | 0.20 | 0.20 | 0.20 | 0.20 | 0.30 | 0.30 | 0.30 | 0.30 |
| Max | 0.50 | 0.60 | 0.60 | 0.60 | 0.80 | 0.80 | 0.80 | 0.80 | 0.80 | 0.80 | 0.80 | 1.00 | 1.00 | 1.00 | 1.00 | |
| Shank Diameter (ds) | Min | 5.82 | 7.78 | 9.78 | 11.73 | 15.73 | 19.67 | 23.67 | 27.00 | 30.00 | 33.00 | 36.00 | 39.00 | 42.00 | 45.00 | 52.00 |
| Max | 6.00 | 8.00 | 10.00 | 12.00 | 16.00 | 20.00 | 24.00 | 26.48 | 29.48 | 32.38 | 35.38 | 38.38 | 41.38 | 44.38 | 51.26 | |
| Head junction Radius(r) | Min | 0.25 | 0.40 | 0.40 | 0.60 | 0.60 | 0.80 | 0.80 | 1.00 | 1.00 | 1.00 | 1.00 | 1.00 | 1.20 | 1.20 | 1.60 |
|
Thread Length (b) |
1<125* | 18 | 22 | 26 | 30 | 38 | 46 | 54 | 60 | 66 | ||||||
| 125<200 | 24 | 28 | 32 | 36 | 44 | 52 | 60 | 66 | 72 | 78 | 84 | 90 | 96 | 102 | 116 | |
| 1>200* | 37 | 41 | 45 | 49 | 57 | 65 | 73 | 79 | 85 | 91 | 97 | 103 | 109 | 115 | 129 | |
l = Overall length of the Bolt
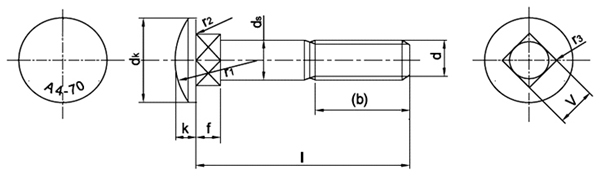
DIN 603 STAINLESS STEEL CARRIAGE BOLT/MUSHROOM BOLT

Threads ( d ) |
M6 |
M8 |
M10 |
M12 |
|
| dk | Min |
15.45 |
19.35 |
23.35 |
29.35 |
Max |
16.55 |
20.65 |
24.65 |
30.65 |
|
| ds | Min |
5.52 |
7.42 |
9.42 |
11.30 |
Max |
6.00 |
8.00 |
10.00 |
12.00 |
|
| f | Min |
3.40 |
4.40 |
5.40 |
7.25 |
Max |
4.60 |
5.60 |
6.60 |
8.75 |
|
| k | Min |
3.12 |
4.12 |
4.62 |
6.05 |
Max |
3.88 |
4.88 |
5.38 |
6.95 |
|
| r1 | Approx |
12.60 |
16.00 |
19.20 |
24.10 |
| r2 | Max |
0.50 |
0.50 |
0.50 |
1.00 |
| r3 | Max |
0.90 |
1.20 |
1.50 |
1.80 |
| v | Min |
5.52 |
7.42 |
9.42 |
11.30 |
| (b) | 1<125* |
18 |
22 |
26 |
30 |
l = Overall length of the Bolt

